Products
產品中心
Contact Us
聯系我們
工廠地址:中國江蘇常州新北區友邦商務大廈D座
銷售中心:中國江蘇省常州市D座303-308
業務電話:13701597080
咨詢熱線:0519-85155570
QQ:2746485611
郵箱:sun@ticsun.com
網址:www.tjxss.com
銷售中心:中國江蘇省常州市D座303-308
業務電話:13701597080
咨詢熱線:0519-85155570
QQ:2746485611
郵箱:sun@ticsun.com
網址:www.tjxss.com
雙源熱泵
簡介:全國咨詢熱線:13701597080
詳細說明
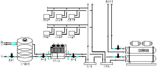
雙源熱泵熱水機組可啟動水源工況和空氣源工況,在具備水源條件時,啟動水源工況,在水源條件不具備時,切換至空氣源工況。雙源熱泵熱水機組需安裝在室外。
1、應用:有中央空調的場所使用,比如酒店、醫院等配置有中央空調,同時客房和病房又需大量消耗生活熱水。
可與中央空調連接,連接方式如下圖:

2、優勢:水源熱泵熱水機組只在冬季非空調季節時產生運行費用,其他季節運行費用為零。

案例:溫州某賓館(接冷卻水系統)


上一篇:熱泵二聯供機組
下一篇:空氣能熱泵+室內水暖風機采暖




關注微信公眾號
關注抖音官方號